型號舉例:SPL-15 SPL-25 SPL-32 SPL-40 SPL-50 SPL-65 SPL-80 SPL-100 SPL-125 SPL-150 SPL-200






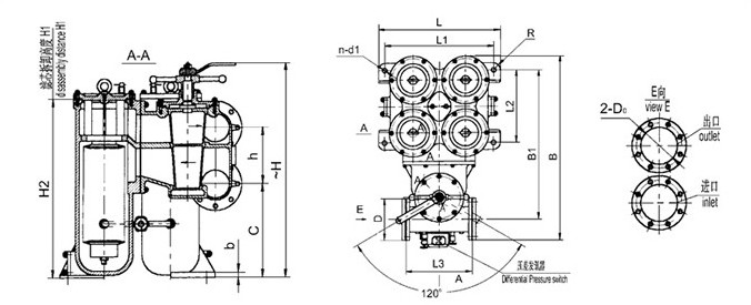
SPL系列雙筒網片式過濾器運行可靠,維修方便,不需要其他動力源,過濾元件為金屬絲網制的濾片,具有強度高,通油能力大,過濾可靠,便于清洗等特點,SPL雙筒系列能在主機運行過程中實現不停機轉換和清洗。
SPL雙筒網片式過濾器適用于各種型號的稀油潤滑裝置的過濾,應用于石油、電力、化工、冶金、建材、輕工等各種工業部門,通過過濾可以提高油的清潔度。
